Заявка пуста

Обратная связь

Ваше сообщение успешно отправлено. Спасибо.

Насос ЦНС 300-180

Цена по запросу

+

Характеристики

300 м³
120 м
1500 об/мин
160 кВт
2385х925х1090 мм
2210 мм

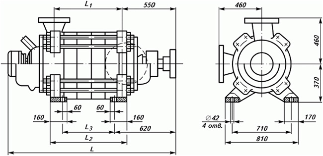
Габаритные размеры насоса

Габаритные размеры насоса ЦНС 300-180

МаркаL1L3LМасса,кг
ЦНС  300-180 436 296 1495 1251

Габаритные размеры агрегата

Габаритные размеры насосного агрегата ЦНС 300-180

МаркаРазмеры, ммМасса, кг
LB1B2H1H2
ЦНСА 300-180 2900 340 510 1170 1039 2890

Характеристики

Характеристики насоса  ЦНС 300-180

 

 

Список комментариев:
Никаких комментариев пока не отправлено.
Рейтинг:

Оставьте отзыв о товаре:

Логин:

Другие модели из категории

Цена по запросу Насос ЦНС 60-165
Цена по запросу Насос ЦНС 300-600
Цена по запросу Насос ЦНС 13-140
Наверх