Заявка пуста

Обратная связь

Ваше сообщение успешно отправлено. Спасибо.

Насос ЦНС 60-125

Цена по запросу

+

Характеристики

60 м³
125 м
1500 об/мин
45 кВт
2425х640х945 мм
1230 мм

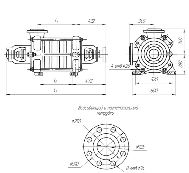
Габаритные размеры насоса

Габаритные размеры насоса ЦНС 60-125

МаркаL1L2L3Масса,кг
ЦНС  60-125 530 450 1385 633

Габаритные размеры агрегата

Габаритные размеры насосного агрегата ЦНС 60-125

Марка  Размеры, ммМасса, кг  
LBH
ЦНСА 60-125 2425 275 940 1230

Характеристики

Характеристики насоса  ЦНС 60-125

 

 

Список комментариев:
Никаких комментариев пока не отправлено.
Рейтинг:

Оставьте отзыв о товаре:

Логин:

Другие модели из категории

Цена по запросу Насос ЦНС 180-340
Цена по запросу Насос ЦНС 60-75
Цена по запросу Насос ЦНС 13-315
Наверх