Заявка пуста

Обратная связь

Ваше сообщение успешно отправлено. Спасибо.

Насос ЦНС 13-315

13-315
5 5 1 Product
Цена по запросу

+

Характеристики

13 м³
315 м
2950 об/мин
30 кВт
2006х450х640 мм
612 мм

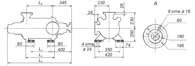
Габаритные размеры насоса

Габаритные размеры насоса ЦНС 13-315

МаркаL1L2L3L4Масса,кг
ЦНС  13-315 692 582 672 1336 334

Габаритные размеры агрегата

Габаритные размеры насосного агрегата ЦНС 13-315

Марка  Размеры, ммМасса, кг  
LBH
ЦНСА 13-315 2006 220 640 612

Характеристики

Характеристики насоса  ЦНС 13-315

 

 

 

 

Список комментариев:
Никаких комментариев пока не отправлено.
Рейтинг:

Оставьте отзыв о товаре:

Логин:

Другие модели из категории

Цена по запросу Насос ЦНС 105-196
Цена по запросу Насос ЦНС 105-245
Цена по запросу Насос ЦНС 105-147
Наверх