Заявка пуста

Обратная связь

Ваше сообщение успешно отправлено. Спасибо.

Насос ЦНС 38-154

38-154
5 5 1 Product
Цена по запросу

+

Характеристики

38 м³
154 м
2950 об/мин
30 кВт
1864х450х640 мм
551 мм

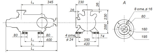
Габаритные размеры насоса

Габаритные размеры насоса ЦНС 38-154

МаркаL1L2L3L4Масса,кг
ЦНС  38-154 550 440 550 1194 280

Габаритные размеры агрегата

Габаритные размеры насосного агрегата ЦНС 38-154

Марка  Размеры, ммМасса, кг  
LBH
ЦНСА 38-154 1864 220 640 551

Характеристики

Характеристики насоса ЦНС 38-154

 

Список комментариев:
Никаких комментариев пока не отправлено.
Рейтинг:

Оставьте отзыв о товаре:

Логин:

Другие модели из категории

Цена по запросу Насос ЦНС 180-128
Цена по запросу Насос ЦНС 105-294
Цена по запросу Насос ЦНС 38-132
Наверх