Заявка пуста

Обратная связь

Ваше сообщение успешно отправлено. Спасибо.

Насос ЦНС 60-175

Цена по запросу

+

Характеристики

60 м³
175 м
1500 об/мин
55 кВт
2640х640х965 мм
1440 мм

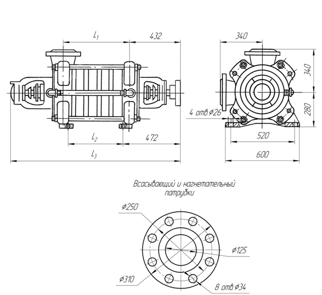
Габаритные размеры насоса

Габаритные размеры насоса ЦНС 60-175

МаркаL1L2L3Масса,кг
ЦНС  60-175 720 640 1575 749

Габаритные размеры агрегата

Габаритные размеры насосного агрегата ЦНС 60-175

Марка  Размеры, ммМасса, кг  
LBH
ЦНСА 60-175 2640 275 965 1440

Характеристики

Характеристики насоса  ЦНС 60-175

 

 

Список комментариев:
Никаких комментариев пока не отправлено.
Рейтинг:

Оставьте отзыв о товаре:

Логин:

Другие модели из категории

Цена по запросу Насос ЦНС 300-360
Цена по запросу Насос ЦНС 105-441
Цена по запросу Насос ЦНС 60-50
Наверх