Заявка пуста

Обратная связь

Ваше сообщение успешно отправлено. Спасибо.

Высоконапорный насос НВС 2-2

Насос НВС 2-2 Иртыш
4.5 5 6 Product
Цена по запросу

+

Характеристики

0,5
0,37
20
2
13

Рабочая характеристика насоса

 

Q,(м³/ч) 1 1,2 1,6 2,0 2,4 2,8 3,2 3,5
Н, (м) 15 14 13 13 11 10 8 7

КПД насоса

Кавитационный запас

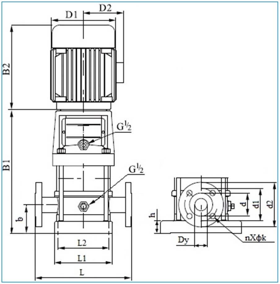
Присоединительные и габаритные размеры

В1 В2 В1+В2 D1 D2 L L1 L2 b h Dy d d1 d2 n k
258 210 468 148 117 250 150 100 75 32 25 60 85 115 4 14
Список комментариев:
Никаких комментариев пока не отправлено.
Рейтинг:

Оставьте отзыв о товаре:

Логин:

Другие модели из категории

Аналогичные товары

Наверх