Заявка пуста

Обратная связь

Ваше сообщение успешно отправлено. Спасибо.

Высоконапорный насос НВС 4-2

Насос НВС 4-2 Иртыш
5 5 4 Product
Цена по запросу

+

Характеристики

0,5
0,37
21
4
13

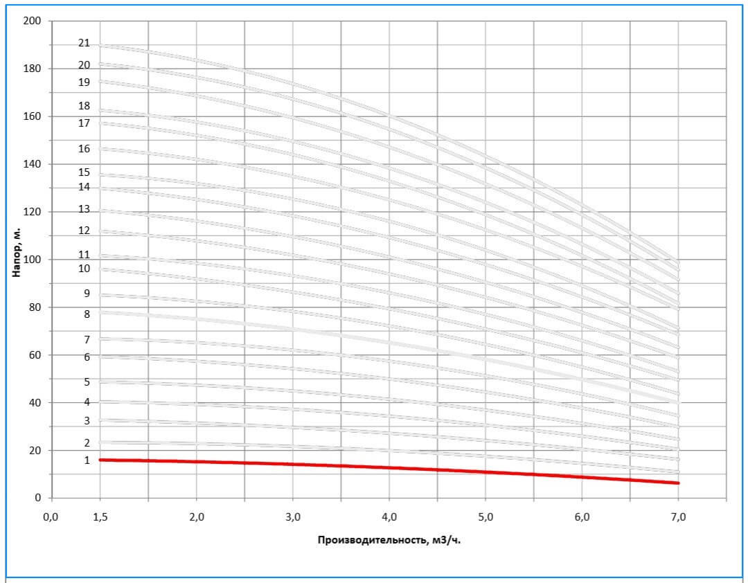
Рабочая характеристика насоса

Q,(м³/ч) 1,5 2,0 3,0 4,0 5,0 6,0 7,0
Н, (м) 16 15 14 13 11 9 6

КПД насоса

Кавитационный запас

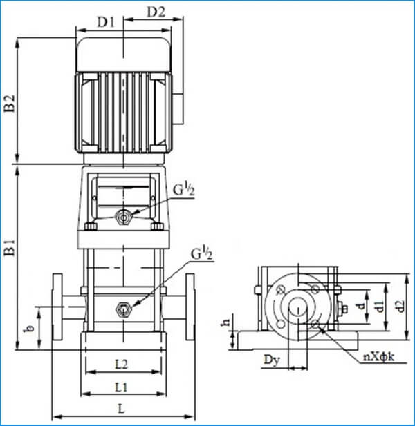
Присоединительные и габаритные размеры

В1 В2 В1+В2 D1 D2 L L1 L2 b h Dy d d1 d2 n k
276 290 566 148 117 250 150 100 75 32 32 60 100 140 4 18
Список комментариев:
Никаких комментариев пока не отправлено.
Рейтинг:

Оставьте отзыв о товаре:

Логин:

Другие модели из категории

Аналогичные товары

Наверх