Заявка пуста

Обратная связь

Ваше сообщение успешно отправлено. Спасибо.

Поршневой компрессор К-12

12_1276792930
3.25 5 8 Product
Цена по запросу

+

Характеристики

95 кг
100 х 47 х 80 см
60 л
+
160 л/мин
300 л/мин
8 атм
ZS177F

Электрический поршневой компрессор К-12 Бежецкого завода сконструирован на основе компрессорной головки С-412М. Устройство выгодно отличается от известной модели С-412М наличием реле давления и 60-литрового ресивера.

Производительность электрического поршневого компрессора К-12 не слишком высока, однако компрессорная головка из чугунного литья позволяет агрегату достаточно долго работать при высоких нагрузках. Отличает эту машину также компактность и нетребовательность к условиям использования. Использоваться она может в бытовых или промышленных условиях для поставки сжатого воздуха к окрасочному оборудованию, пневмоинструменту, установкам для ремонта авто, опрессовки труб разного назначения.

Полный список агрегатов смотрите на странице Поршневые компрессоры

Особенности:

  • Высокие параметры ремонтопригодности и постоянное наличие в продаже деталей делают воздушный компрессор К-12 весьма удобным в обслуживании;
  • Универсальность использования, надежность;
  • Производительность в пределах 160 л/ч;
  • Устойчивость к интенсивным условиям использования;
  • Двигатель электрический 220В, 2.2 кВт;
  • Наличие колес и рукоятки для транспортировки;

Характеристики

Тип Передвижной
Производительность, л/мин 160
Давление, бар 10
Объем ресивера, л 60
Расположение ресивера Горизонтальный
Мощность, кВт 2,2
Напряжение, В 220
Модель компрессорной головки С-412М
Тип привода Ременной
Размер, мм 1000х470х800
Вес, кг 95
Реле давления Да
Страна Россия

Установка компрессорная К-12

  • 1- ресивер;
  • 2- электродвигатель;
  • 3- ограждение;
  • 4- ремень приводной;
  • 5- трубопровод;
  • 6- головка компрессорная.
Установка компрессорная К-12

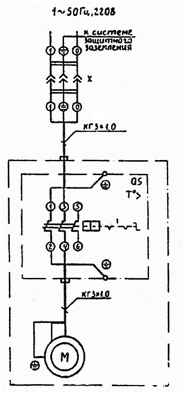
Схема электрическая принципиальная и соединений установки компрессорной К-12

Схема электрическая принципиальная и соединений  установки компрессорной К-12

Работа электрической схемы

Установка К-12 выпускается для подключения в однофазную сеть с напряжением 220В, 50Гц. Однофазные электродвигатели рассчитаны для работы при изменении напряжения питающей сети от 0,85 до 1,1 номинального значения.Завод рекомендует подключить установку через устройство защитного отключения (УЗО) в соответствии со схемой подключения, приведенной в техническом паспорте на УЗО либо на корпусе УЗО, при этом номинал автоматического выключения должен быть меньше или равен номинальному току УЗО.

 

Список комментариев:
Никаких комментариев пока не отправлено.
Рейтинг:

Оставьте отзыв о товаре:

Логин:

Другие модели из категории

Наверх