Заявка пуста

Обратная связь

Ваше сообщение успешно отправлено. Спасибо.

Поршневой компрессор К-2

111
4.66667 5 3 Product
Цена по запросу

+

Характеристики

250 кг
75 х 40 х 50
150 л
+
630 л/мин
900 л/мин
10 кг/м²
ZS177F

Электрический поршневой компрессор К-2 – небольшой и достаточно универсальный агрегат, использующийся при строительно-отделочных работах, для обеспечения работы дорожного и строительного пневматического оборудования. Являются российскими аналогами широко известных строительных компрессоров.

Полный список агрегатов смотрите на странице Поршневые компрессоры

Конструкция элеткрического поршневого компрессора К-2 включает 150-ти литровый ресивер, трехфазный электродвигатель, транспортировочные колеса, реле давления. Устройство отличается внушительной производительностью (630 л/мин.), малошумностью, эффективностью и неприхотливостью, а также компактностью.

Агрегат не нуждается в специальном фундаменте для установки.

Особенности:

  • Рабочее давление в пределах 10 бар;
  • Длительное непрерывное использование компрессор К-2 отлично переносит при отсутствии значительных перепадов;
  • Трехфазный электродвигатель;
  • Стабильная работа во влажных, запыленных помещениях, а также в иных неблагоприятных условиях.
 

Характеристики

Тип Передвижной
Производительность, л/мин 630
Давление, бар 10
Объем ресивера, л 150
Расположение ресивера Горизонтальный
Мощность, кВт 5,5
Напряжение, В 380
Модель компрессорной головки С-415М
Тип привода Ременной
Размер, мм 1300х630х1320
Вес, кг 270
Реле давления Да
Страна Россия

Установка компрессорная, модель К-2

1-ресивер; 2-компрессорная головка; 3-ограждение;

Установка компрессорная, модель К-2

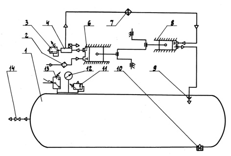
Схема пневматическая принципиальная установки компрессорной, модель К-2

Схема пневматическая принципиальная установки компрессорной, модель К-2
  • 1-ресивер;
  • 2-воздушный фильтр;
  • 3-клапан предохранительный;
  • 4-коллектор цилиндра низкого давления;
  • 6-цилиндр низкого давления;
  • 7-холодильник;
  • 8-цилиндр высокого давления;
  • 9-блок обратного клапана;
  • 10-пробка сливная;
  • 11-предохранительный клапан;
  • 12-манометр контроля давления воздуха;
  • 13-реле давления;
  • 14-вентиль раздаточный.

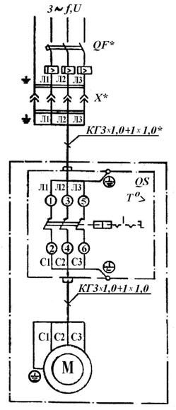
Схема электрическая принципиальная и соединений установки компрессорной, модель К-2

Схема электрическая принципиальная и соединений установки компрессорной, модель К-2

 

Список комментариев:
Никаких комментариев пока не отправлено.
Рейтинг:

Оставьте отзыв о товаре:

Логин:

Другие модели из категории

Наверх