Заявка пуста

Обратная связь

Ваше сообщение успешно отправлено. Спасибо.

Винтовой компрессор ВК-69

5 5 1 Product
Цена по запросу

+

 Винтовой передвижной компрессор ВК-69 производства Бежецкого компрессорного завода. Установка состоит из одноступенчатого винтового компрессора и двух роторов.

Полный список агрегатов смотрите на странице Винтовые компрессоры

Винтовой блок CF-75D (Ghh-Rand). Легкое обслуживание, легкая замена узлов и деталей, реле давления. Повышенная долговечность и надежность благодаря отсутствию пульсаций сжатого воздуха, а также клапанов и деталей, совершающих возвратно-поступательные движения. Установка ВК-69 АСО-ВК-3,0/10-ПЭ используется для подачи сжатого воздуха в различных отраслях промышленности.

Технические характеристики

Тип Передвижной
Производительность, л/мин 5000
Давление, бар 10
Объем ресивера, л 0
Тип привода Электрический
Мощность, кВт (л.с.) 37
Напряжение, В 380
Уровень шума, Дб 72…76
Тип компрессора Винтовой
Винтовой блок CF-75D(Ghh-Rand)
Охлаждение масла Воздушное
Размер, мм 3100х1600х1250
Вес, кг 850
Страна Россия

Установка компрессорная

  • 1 - винтовой блок CF-75D8;
  • 2 - привод;
  • 3 - дышло;
  • 4 - кузов;
  • 5 - рама;
  • 6 - маслоотделитель;
  • 7 - блок охлажде-ния;
  • 8 - вентилятор;
  • 9 – шкаф аппаратный;
  • 10 – реле давления;
  • 11 – блок распределения;
  • 12 – воздушный фильтр;
  • 13 - впускной клапан;
  • 14 - клапан минимального давления;
  • 15 – тележка.
Установка компрессорная ВК-69

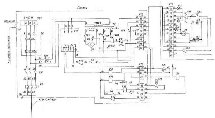
Схема электрическая принципиальная и соединений компрессора ВК-69

Схема электрическая принципиальная и соединений компрессора ВК-69

Схема пневматическая принципиальная компрессора ВК-69

Схема пневматическая принципиальная компрессора ВК-69
Список комментариев:
Никаких комментариев пока не отправлено.
Рейтинг:

Оставьте отзыв о товаре:

Логин:

Другие модели из категории

Наверх