Заявка пуста

Обратная связь

Ваше сообщение успешно отправлено. Спасибо.

Поршневой компрессор К-24М

111_10350701
5 5 1 Product
Цена по запросу

+

Характеристики

130 кг
115 х 52 х 98 см
70 л
-
500 л/мин
830 л/мин
6 атм
ZS177F

Компрессор К-24М - поршневой воздушный компрессор производства Бежецкого компрессорного завода. Изготовлен на базе двухцилиндровой одноступенчатой головки К24.

Полный список агрегатов смотрите на странице Поршневые компрессоры

Эти компрессоры нашли широкое применение в обеспечении сжатым воздухом производства малярных, отделочных работ; при работе с краскораспылителями, пневмоинструментом и др. Имеется возможность подключения отбойного молотка типа МОП-2. Кроме того, компрессор К-24М часто используется для перемешивания жидкостей, разбрызгивания химсоставов, для вентиляции.

Особенности:

  • Трехфазный электродвигатель (мощность 4 кВт/380В);
  • Используется воздушный электрический поршневой компрессор К-24М исключительно в промышленных целях;
  • Реле давления отсутствует, воздухосборник 70 литров;
  • Рабочее давление – 6 бар;
  • Рукоятка и транспортные колеса;
  • Простота техобслуживания, надежность;
  • Устройство относится к масляным компрессорам.
Компрессор К-24М

Характеристики

Тип Передвижной
Производительность, л/мин 550
Давление, бар 6
Объем ресивера, л 70
Расположение ресивера Горизонтальный
Мощность, кВт 4
Напряжение, В 380
Модель компрессорной головки К-24М
Тип привода Ременной
Размер, мм 1150х520х980
Вес, кг 130
Реле давления Нет
Страна Россия

Состав изделия и габариты (установка компрессорная К-24М)

  • 1-ресивер;
  • 2-головка компрессорная;
  • 3-трубопровод нагнетательный;
  • 4-электродвигатель;
  • 5-ограждение;
  • 6-выключатель автоматический;
  • 7-приводной клиновой ремень;
  • 8-клапан предохранительный;
  • 9-регулятор давления;
  • 10-манометр.
Состав и габариты компрессора К-24М

Схема пневматическая принципиальная установки компрессорной модели К-24М

  • 1-ресивер;
  • 2-воздушный фильтр;
  • 3-клапан предохранительный;
  • 4-регулятор давления;
  • 5-манометр контроля  давления воздуха;
  • 6-вентиль раздаточный;
  • 7-цилиндр нагнетательный;
  • 8-обратный клапан;
  • 9-клапан всасывающий;
  • 10-клапан нагнетательный;
  • 11-пробка слива конденсата;
  • 12-реле давления для установки К-25М.
Схема пневматическая принципиальная установки компрессорной модели К-24М

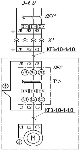
Схема электрическая принципиальная установки компрессорной К-24М

Установка выпускается для подключения в трехфазную четырехпроводную сеть с напряжением 380 В и частотой 50 Гц.

Установку подключить к электросети через автоматический выключатель QF(см. эл. схему).

Схема электрическая принципиальная установки компрессорной К-24М

 

Список комментариев:
Никаких комментариев пока не отправлено.
Рейтинг:

Оставьте отзыв о товаре:

Логин:

Другие модели из категории

Наверх