Заявка пуста

Обратная связь

Ваше сообщение успешно отправлено. Спасибо.

Поршневой компрессор С-412М

111_686894778
5 5 1 Product
Цена по запросу

+

Характеристики

72 кг
75 х 40 х 50
10 л
-
160 л/мин
300 л/мин
10 кг/м²
ZS177F

Поршневой компрессор С-412М идеально подойдет для использования его на производственных площадях как в промышленных масштабах, так и в условиях мелкосерийного производства для обеспечения подачи воздуха на инструмент, работающий от энергии сжатого воздуха. Таким инструментом может являться как пистолеты для накачки колес автомобильного транспорта, пневматические машинки, так и краскораспылители в малых малярных мастерских.

Полный список агрегатов смотрите на странице Поршневые компрессоры

Производительности компрессора С-412М вполне достаточно для работы пневматических инструментов, опрессовки систем водоснабжения и отопления перед сезоном. Компрессор обеспечивает на выходе максимальное давление в 10 атмосфер. Простая конструкция обеспечивает надежность и долголетнюю работу, что в случае технического обслуживания или ремонта значительно экономит время.

Особенности С-412М

  • Встроенный надежный манометр на корпусе компрессора позволяет контролировать точную подачу сжатого воздуха;
  • Чугунный радиатор компрессора обладает большим ресурсом и стойкостью к окружающей среде;
  • Качественный пульт включения/выключения компрессора и быстрый клапан сброса давления.
 

Характеристики

Тип Передвижной
Производительность, л/мин 160
Давление, бар 10
Объем ресивера, л 10
Расположение ресивера Горизонтальный
Мощность, кВт 2,2
Напряжение, В 380
Модель компрессорной головки С-412М
Тип привода Ременной
Размер, мм 750х400х500
Вес, кг 72
Реле давления Нет
Страна Россия
Элементы компрессора С-412М
  • 1-тележка;
  • 2-трубопровод с обратным клапаном;
  • 3-головка компрессора;
  • 4-ремень приводной;
  • 5-пускатель;
  • 6-двигатель;
  • 7-ограждение.

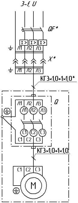
Схема электрическая принципиальная для компрессора С-412М

 Схема электрическая принципиальная для компрессора С-412М

 

Список комментариев:
Никаких комментариев пока не отправлено.
Рейтинг:

Оставьте отзыв о товаре:

Логин:

Другие модели из категории

Наверх